

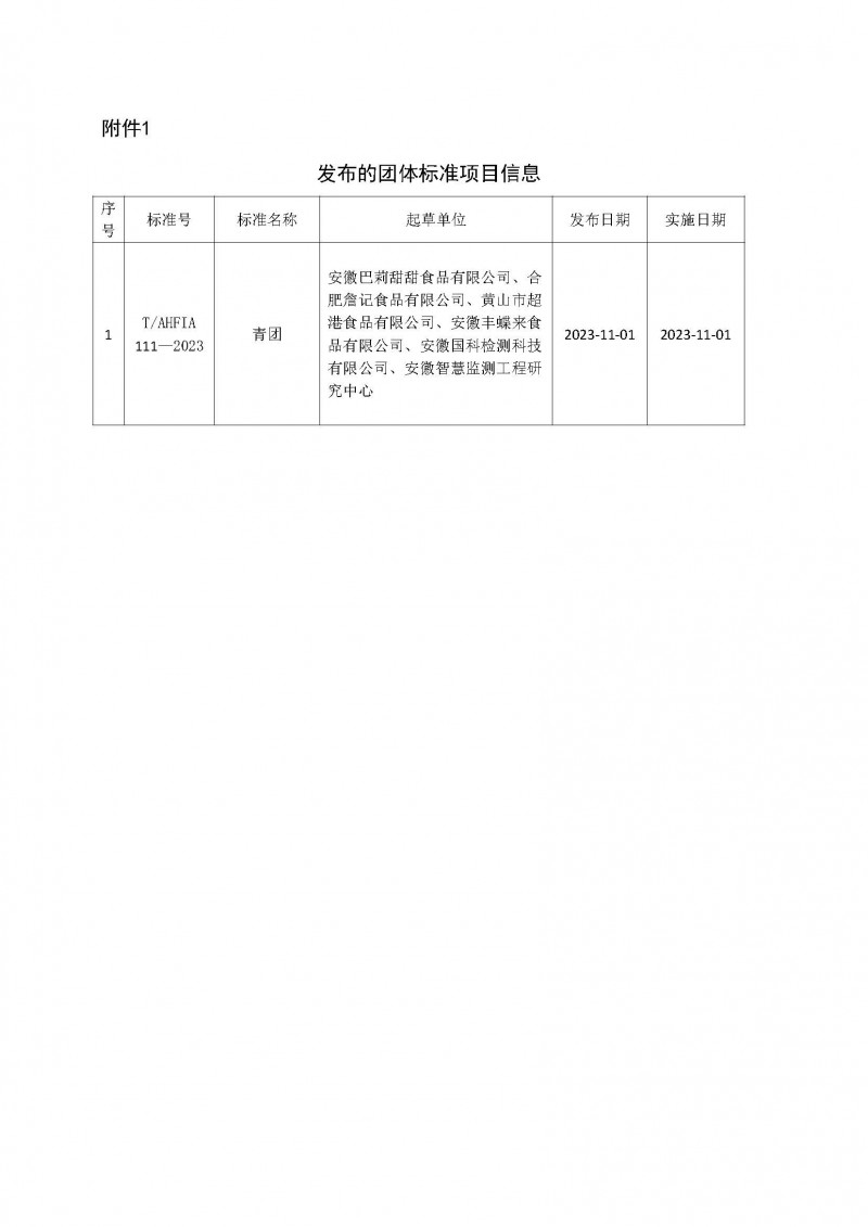
相關標準如下:
T/AHFIA 111-2023 青團
信息來源注明為安徽省食品行業協會,因本文轉載自其他媒體,轉載目的在于傳遞更多的信息,并不代表本站贊同其觀點和對其真實性負責。
檢測優勢
檢測資質(部分)
檢測流程
1、中析檢測收到客戶的檢測需求委托。
2、確立檢測目標和檢測需求
3、所在實驗室檢測工程師進行報價。
4、客戶前期寄樣,將樣品寄送到相關實驗室。
5、工程師對樣品進行樣品初檢、入庫以及編號處理。
6、確認檢測需求,簽定保密協議書,保護客戶隱私。
7、成立對應檢測小組,為客戶安排檢測項目及試驗。
8、7-15個工作日完成試驗,具體日期請依據工程師提供的日期為準。
9、工程師整理檢測結果和數據,出具檢測報告書。
10、將報告以郵遞、傳真、電子郵件等方式送至客戶手中。
檢測優勢
1、旗下實驗室用于CMA/CNAS/ISO等資質、高新技術企業等多項榮譽證書。
2、檢測數據庫知識儲備大,檢測經驗豐富。
3、檢測周期短,檢測費用低。
4、可依據客戶需求定制試驗計劃。
5、檢測設備齊全,實驗室體系完整
6、檢測工程師專業知識過硬,檢測經驗豐富。
7、可以運用36種語言編寫MSDS報告服務。
8、多家實驗室分支,支持上門取樣或寄樣檢測服務。
檢測實驗室(部分)
結語
以上為安徽省食品行業協會關于發布《青團》團體標準的通知的檢測服務介紹,如有其他疑問可聯系在線工程師!
















京ICP備15067471號-27